
电动通风蝶阀
1、电源电压:DC24V、DC220V、 AC24V、AC110V、AC220V、AC380V
2、介质类型:温度、压力
3、控制类型:开关型、触点型、信号输出型、智能调节型
4、智能调节型:输入信号(DC1-5V、DC1-10V、4- -20mA)、输出(DC1-5V、DC1-10V、4-20mA)

产品简介
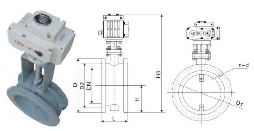
通风蝶阀采用与阀体相同材料加工成密封圈,其适用温度和耐腐蚀性的阀体选材而定,公称压力<0.6MPa,其泄漏量控制在大流量的2%以内,应用于工业、冶金等管道作通风调节介质流量之用。具有结构简单、重量轻、操作量小、启闭迅速、动作灵活、流通能力大、调节精度高等特点。适用与烟气、粉尘、空气或含有浮颗粒的流体及浓浊浆状流体的调节与控制。

Copyright© 南昌宜星化工设备有限公司   赣ICP备10007646号-1  技术支持:
 扫一扫,加微信咨询
        扫一扫,加微信咨询